长发美女唯美梦幻户外写真图片电脑壁纸

图片尺寸 1920x1200
上传时间 2026-03-17 03:22:16

图片链接

缩略图
原图
外链

相关图片

电脑壁纸 动漫卡通 动漫人物 梦幻中的女孩

电脑壁纸 动漫卡通 动漫人物 梦幻中的女孩

女孩紫色花海紫色眼睛裙子唯美好看动漫壁纸

女孩紫色花海紫色眼睛裙子唯美好看动漫壁纸

梦幻可爱动漫图片桌面壁纸

梦幻可爱动漫图片桌面壁纸

如何看穿他有没有爱上你,两招判断土象星座男生对你有没有好感_女生

如何看穿他有没有爱上你,两招判断土象星座男生对你有没有好感_女生

梦幻动漫美少女高清桌面壁纸

梦幻动漫美少女高清桌面壁纸

唯美梦幻的日本动漫美女高清图片桌面壁纸

唯美梦幻的日本动漫美女高清图片桌面壁纸

梦幻可爱的女孩-2016年动漫海报高清壁纸

梦幻可爱的女孩-2016年动漫海报高清壁纸

电脑壁纸 动漫卡通 动漫人物 梦幻中的女孩

电脑壁纸 动漫卡通 动漫人物 梦幻中的女孩

可爱动漫女孩,漂亮裙子,伞,可爱星星,千纸鹤,动漫桌面壁纸

可爱动漫女孩,漂亮裙子,伞,可爱星星,千纸鹤,动漫桌面壁纸

首页 梦幻女孩 幻想女孩,鲜花,蝴蝶 壁纸 下载 1920x1200 幻想女孩

首页 梦幻女孩 幻想女孩,鲜花,蝴蝶 壁纸 下载 1920x1200 幻想女孩

随机推荐

梁朝伟

梁朝伟

南相美

南相美

清爽干净白色小清新电脑桌面壁纸

清爽干净白色小清新电脑桌面壁纸

李小璐

李小璐

70年代末最红女明星刘晓庆只能排她后如今相夫教子成画家_金玲_银幕

70年代末最红女明星刘晓庆只能排她后如今相夫教子成画家_金玲_银幕

红衣古风女 - 堆糖,美图壁纸兴趣社区

红衣古风女 - 堆糖,美图壁纸兴趣社区

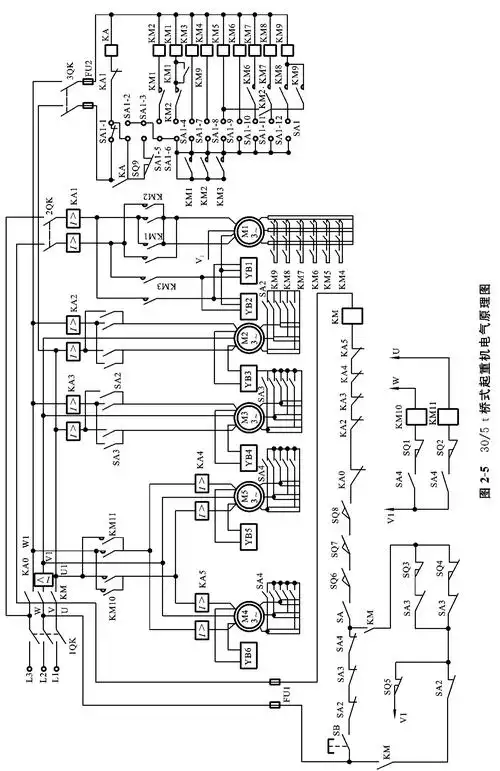
桥式吊钩起重机电气控制

桥式吊钩起重机电气控制

猛兽龇牙恐吓大比拼

猛兽龇牙恐吓大比拼

大叔男头像成熟抽烟 图文

大叔男头像成熟抽烟 图文

体重指数 男,女标准体重对照表book1

体重指数 男,女标准体重对照表book1