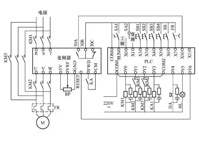
工程门式起重机电气控制系统

图片尺寸 2966x1896
上传时间 2026-03-18 22:54:12

图片链接

缩略图
原图
外链

相关图片

桥式吊钩起重机电气控制

桥式吊钩起重机电气控制

造船用门式起重机电气图.pdf

造船用门式起重机电气图.pdf

10t龙门吊电路图纸

10t龙门吊电路图纸

32吨电气原理图

32吨电气原理图

龙门吊技术到底难不难?

龙门吊技术到底难不难?

这是40吨龙门吊的电路图,帮我解释一下

这是40吨龙门吊的电路图,帮我解释一下

造船用门式起重机电气图.pdf

造船用门式起重机电气图.pdf

内容包括:plc输入电路图,plc输出控制电路图,电气系统图等.

内容包括:plc输入电路图,plc输出控制电路图,电气系统图等.

门式起重机电路图分析

门式起重机电路图分析

[分享]塔吊起重电气原理图

[分享]塔吊起重电气原理图

随机推荐

演员徐正溪突然宣布退圈!

演员徐正溪突然宣布退圈!

住友240-5挖掘机

住友240-5挖掘机

黑色系出逃公主婚纱照

黑色系出逃公主婚纱照

宇纱 一字肩修身鱼尾蕾丝订珠显瘦大拖尾复古2015夏新款婚纱礼服

宇纱 一字肩修身鱼尾蕾丝订珠显瘦大拖尾复古2015夏新款婚纱礼服

天佑中华我的家童声合唱版

天佑中华我的家童声合唱版

工笔画

工笔画

皮卡丘头像

皮卡丘头像

摘樱桃🍒

摘樱桃🍒

【陶笛简谱】太阳照常升起

【陶笛简谱】太阳照常升起

华为壁纸.jpg

华为壁纸.jpg