首页 / 好看的足球服 / 图片详情

皇马训练服球衣足球服定制印号套装 - 抖音

图片尺寸 1600x1600
上传时间 2026-03-17 05:42:56

图片链接

缩略图
原图
外链

相关图片

足球服套装男定z运动短袖训练服学生夏季比赛透气队服印字足球衣

足球服套装男定z运动短袖训练服学生夏季比赛透气队服印字足球衣

2324新款内马尔球衣沙特利雅得新月足球服套装男定制比赛训练队服

2324新款内马尔球衣沙特利雅得新月足球服套装男定制比赛训练队服

2016新款儿童长袖足球训练服 童装 足球训练服运动服 白色 24码(130

2016新款儿童长袖足球训练服 童装 足球训练服运动服 白色 24码(130

男女足球比赛训练队服迷彩球衣个性印制 运动服新品足球服带口袋

男女足球比赛训练队服迷彩球衣个性印制 运动服新品足球服带口袋

足球服2

足球服2

【儿童足球服套装:拍下就送足球袜跟护腿板!

【儿童足球服套装:拍下就送足球袜跟护腿板!

> 天猫商城足球服最新优惠

> 天猫商城足球服最新优惠

足球服套装男定 制印字成人大码队服运动比赛儿童女短袖足球衣

足球服套装男定 制印字成人大码队服运动比赛儿童女短袖足球衣

巴黎短袖足球服迈阿密国际巴萨皇马成人儿童定制比赛训练服梅西球

巴黎短袖足球服迈阿密国际巴萨皇马成人儿童定制比赛训练服梅西球

2020 足球服职业男性足球裁判员均匀泰国裁判球衣短裤集足球裁判运动

2020 足球服职业男性足球裁判员均匀泰国裁判球衣短裤集足球裁判运动

随机推荐

何堇扮演者陈莎莉

何堇扮演者陈莎莉

当歌手邓紫棋穿上丝袜时,你喜欢的是她的歌曲还是服装搭配_音乐_泡沫

当歌手邓紫棋穿上丝袜时,你喜欢的是她的歌曲还是服装搭配_音乐_泡沫

德国大师丢勒作品集上 (100幅)_铜版画

德国大师丢勒作品集上 (100幅)_铜版画

关键词  弹跳卡通手绘海鲜简笔画食品装饰图标

关键词 弹跳卡通手绘海鲜简笔画食品装饰图标

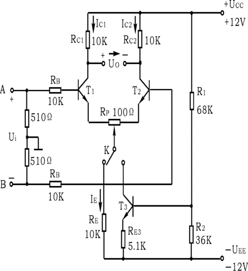
差分放大电路

差分放大电路

马丽随11岁小老公悦游澳门甜蜜挽手共话欢笑男方幸福愈增

马丽随11岁小老公悦游澳门甜蜜挽手共话欢笑男方幸福愈增

现代简约客厅装修图片大全 现代简约客厅装修效果图大全2020图片

现代简约客厅装修图片大全 现代简约客厅装修效果图大全2020图片

张子枫吴磊头像

张子枫吴磊头像

马天宇

马天宇

小小气象员学生作业展示 - 抖音

小小气象员学生作业展示 - 抖音