简单又可爱的小女孩简笔画

图片尺寸 375x500
上传时间 2026-03-18 13:56:02

图片链接

缩略图
原图
外链

相关图片

q版人物简笔画.#简笔画 #儿童画 #手绘 #可爱卡通 #一 - 抖音

q版人物简笔画.#简笔画 #儿童画 #手绘 #可爱卡通 #一 - 抖音

简笔画人物|可爱女孩 少儿创意美术 美术考级 儿童画 可爱简笔画 简笔

简笔画人物|可爱女孩 少儿创意美术 美术考级 儿童画 可爱简笔画 简笔

幼儿园人物画图片大全可爱的女生卡通人物头像图片简笔画乖巧的小男孩

幼儿园人物画图片大全可爱的女生卡通人物头像图片简笔画乖巧的小男孩

人怎么画全身简笔画(80 可爱的卡通人物简笔画,其实真不难画)

人怎么画全身简笔画(80 可爱的卡通人物简笔画,其实真不难画)

儿童人物简笔画

儿童人物简笔画

怎么画可爱的动画人物简笔画

怎么画可爱的动画人物简笔画

人物 小孩 儿童 小朋友 小男孩 小女孩 可爱 手牵手 手拉手小孩简笔画

人物 小孩 儿童 小朋友 小男孩 小女孩 可爱 手牵手 手拉手小孩简笔画

卡通小人简笔画卡通小人物简笔画可爱

卡通小人简笔画卡通小人物简笔画可爱

儿童可爱人物简笔画

儿童可爱人物简笔画

人物简笔画小男孩人物简笔画小男孩帅气

人物简笔画小男孩人物简笔画小男孩帅气

随机推荐

金城武

金城武

白底爱心头像图片_微信头像图片大全

白底爱心头像图片_微信头像图片大全

策约 王者荣耀

策约 王者荣耀

版面设计图大全超适合小学生的简单小清新手抄报日系手绘小清新手抄报

版面设计图大全超适合小学生的简单小清新手抄报日系手绘小清新手抄报

这是2019年9月21日,人们在德国慕尼黑参加慕尼黑啤酒节.新华社/路透

这是2019年9月21日,人们在德国慕尼黑参加慕尼黑啤酒节.新华社/路透

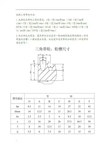
三角带带轮轮槽尺寸

三角带带轮轮槽尺寸

桑普圆形立式采暖锅炉的按装

桑普圆形立式采暖锅炉的按装

抖音热图伤感文字壁纸风景78锁屏壁纸

抖音热图伤感文字壁纸风景78锁屏壁纸

美女购物矢量图下载png素材透明免抠图片-动植人物

美女购物矢量图下载png素材透明免抠图片-动植人物

林志颖究竟是个怎么样的人 网曝林志颖耍大牌致飞机延误吗?

林志颖究竟是个怎么样的人 网曝林志颖耍大牌致飞机延误吗?