短头发的秦岚,不仅好看,气质拉满.

图片尺寸 798x1280
上传时间 2026-03-19 02:08:09

图片链接

缩略图
原图
外链

相关图片

女神秦岚剪一刀切短发后,更加迷人 秦岚最近在节目中的一款短发造型

女神秦岚剪一刀切短发后,更加迷人 秦岚最近在节目中的一款短发造型

秦岚短发,黑色吊带牛仔,精致迷人

秦岚短发,黑色吊带牛仔,精致迷人

秦岚,飒爽短发搭配绿色背心头像组图

秦岚,飒爽短发搭配绿色背心头像组图

秦岚新剧的首饰好好看啊搭配一刀切短发太高级御姐范儿了

秦岚新剧的首饰好好看啊搭配一刀切短发太高级御姐范儿了

秦岚带火了一种"显瘦"穿搭:大衣 短裤 波波头短发,时髦又洋气_西装

秦岚带火了一种"显瘦"穿搭:大衣 短裤 波波头短发,时髦又洋气_西装

秦岚短发造型出席《芳心荡漾》见面会 与王子异人形玩偶互动_北京_新

秦岚短发造型出席《芳心荡漾》见面会 与王子异人形玩偶互动_北京_新

组图:秦岚短发造型现身机场 灰色西装搭配露腰上衣干净利落

组图:秦岚短发造型现身机场 灰色西装搭配露腰上衣干净利落

秦岚短发羊毛卷复古摩登女郎造型,感觉越来越漂亮,好美好洒脱.

秦岚短发羊毛卷复古摩登女郎造型,感觉越来越漂亮,好美好洒脱.

然后还可以去借鉴秦岚的发型,现在的她一直都是留着短发,尤其是这种

然后还可以去借鉴秦岚的发型,现在的她一直都是留着短发,尤其是这种

短头发的秦岚,不仅好看,气质拉满.

短头发的秦岚,不仅好看,气质拉满.

随机推荐

工笔白描花卉素材

工笔白描花卉素材

王阳明心学初探一

王阳明心学初探一

回顾李乃文曾不温不火娶圈外妻子年近五十慢慢变知名演员

回顾李乃文曾不温不火娶圈外妻子年近五十慢慢变知名演员

首都最美家庭五次冲击将国旗插上珠峰后他最想感谢的人是妻子

首都最美家庭五次冲击将国旗插上珠峰后他最想感谢的人是妻子

瑜伽老师最爱教学生这四个躺着开肩动作

瑜伽老师最爱教学生这四个躺着开肩动作

美国华盛顿州西雅图太空针塔图片 - 第16张

美国华盛顿州西雅图太空针塔图片 - 第16张

律师事务所日常设计物料|平面|海报|reignwu - 原创作品 - 站酷

律师事务所日常设计物料|平面|海报|reignwu - 原创作品 - 站酷

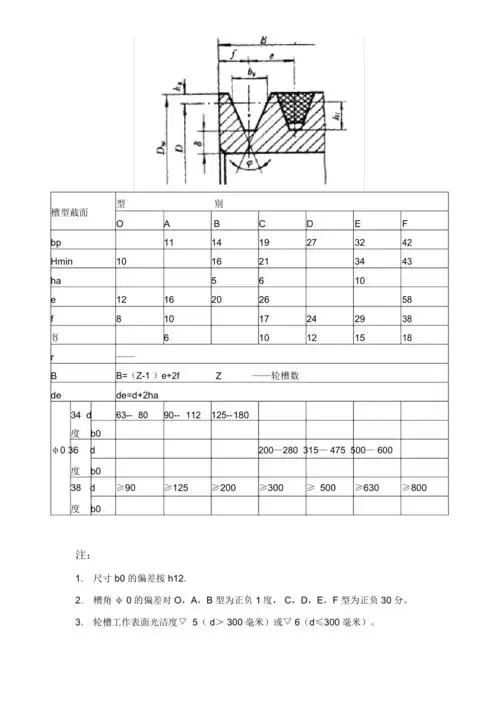
三角带带轮轮槽尺寸

三角带带轮轮槽尺寸

江明

江明

柔韧性差不要紧,跟着瑜伽美女一起练,你也可以

柔韧性差不要紧,跟着瑜伽美女一起练,你也可以