首页 / 由零件图画装配图

由零件图画装配图

包含 20 张图片

液压千斤顶装配图,零件图a3纸

液压千斤顶装配图,零件图a3纸

由装配图拆画零件图(答案)

由装配图拆画零件图(答案)

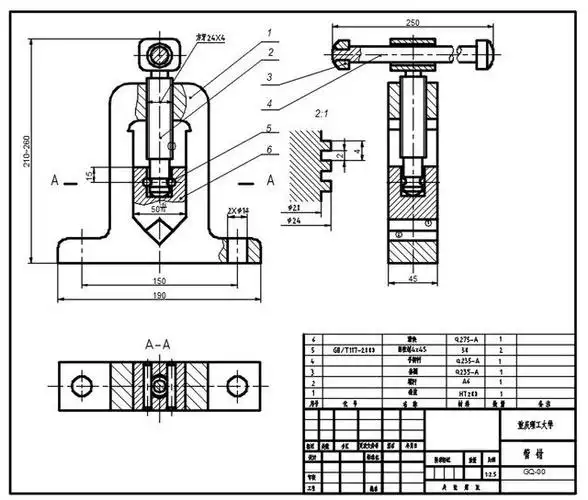
根据装配图拆画零件图(二)

根据装配图拆画零件图(二)

机械制图_画平口钳装配图ppt

机械制图_画平口钳装配图ppt

请机械制图高手帮忙根据这个装配图画出零件图.

请机械制图高手帮忙根据这个装配图画出零件图.

读装配图及由装配图拆画零件图

读装配图及由装配图拆画零件图

齿轮油泵零件图装配图图片给学生参考精编版

齿轮油泵零件图装配图图片给学生参考精编版

由装配图拆画零件图(答案)

由装配图拆画零件图(答案)

读装配图拆画零件图

读装配图拆画零件图

零件装配图 机械#手绘  #绘画

零件装配图 机械#手绘 #绘画

谁有中国机械cad论坛账号,帮我下载个立轴回转分度夹具装配图!

谁有中国机械cad论坛账号,帮我下载个立轴回转分度夹具装配图!

你好,麻烦你给我一份齿轮泵装配图,谢谢.明天就答辩了,画不完了

你好,麻烦你给我一份齿轮泵装配图,谢谢.明天就答辩了,画不完了

装配体上零件间往往有重叠现象,当某些零

装配体上零件间往往有重叠现象,当某些零

画装配图的步骤

画装配图的步骤

读装配图拆画零件图

读装配图拆画零件图

如图是齿轮泵装配图以及零件图,有需要cad的可以找我问问库存 - 抖音

如图是齿轮泵装配图以及零件图,有需要cad的可以找我问问库存 - 抖音

(2)了解零件间的相对位置,装配关系以及装拆顺序.

(2)了解零件间的相对位置,装配关系以及装拆顺序.

在下面转子泵的装配图中,a-a全剖视图可以省略不画.

在下面转子泵的装配图中,a-a全剖视图可以省略不画.

求proe柱塞泵零件图最好配装配图急!

求proe柱塞泵零件图最好配装配图急!

清晰,准确地表达出机器的工作原理,各零件的相对位置及装配关系,连接

清晰,准确地表达出机器的工作原理,各零件的相对位置及装配关系,连接